LDO Motors

LDO Motors NEMA14 36mm Round Pancake Motor LDO-36STH20-1004AHG(XH)

Sale price $119.00 Regular price $150.00
Discounted amount Save 20%
Sold out
Tax included and Shipping calculated at checkout.

About this item

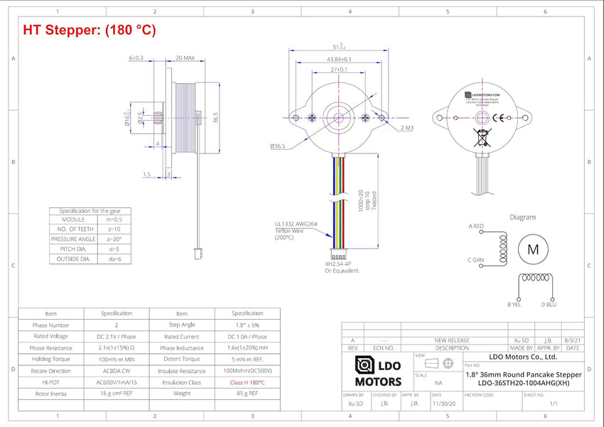
  • Up to 180C. Motor runs significantly cooler then 17mm versions.
  • Step Angle: 1.8 degrees
  • Shaft Diameter: 2.5mm (integrated 10 tooth gear)
  • Rated Current: 1A
  • Wiring: Included - 1 Meter - Integrated - Teflon wire rated to 200C - JST XH Terminated(can swap to Pico Microblade(Cyclops) connector, just message us.)
  • IMPORTANT: Each motor is serialized for authenticity and to prevent fraudulent returns.

 Product Data Sheet

This High Temperature rated NEMA 14 stepper motor offers a 1.8 degree step angle and high torque with a 20mm body length. For use in environments up to 180C. Electrical Specification:

Phase Number: 2

Rated Voltage: DC 2.1V 

Phase Phase Resistance: 2.1x(115%)

Ohm Step Angle: 1.8 5%

Rated Current: DC 1.0A 

Phase Phase Inductance: 1.6x(120%)

mH Detent Torque: 5 mN-m REF

Holding Torque: 100mN-m MIN

Rotate Direction: ACBDA

CWHI-POT: AC600V/1mNA/1S

Rotor Inertia: 16 g-cm2 REF

Insulate Resistance: 100Mohm(DC500V)

Insulation Class: Class H 180C

Weight: 85 g REF

Link copied